ADC0809是一種CMOS工藝8通道,8位逐次逼近式A/D模數轉換器。其內部有一個8通道多路開關,它可以根據地址碼鎖存譯碼后的信號,只選通8路模擬輸入信號中的一個進行A/D轉換。主要適用于對精度和采樣速率要求不高的場合或一般的工業(yè)控制領域,可以和單片機直接相連。


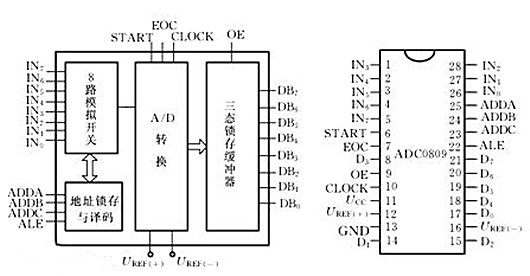
ADC0809引腳定義
ADC0809芯片有28條引腳,采用雙列直插式封裝。
各引腳功能:
IN0~IN7:8路模擬量輸入端。
2-1~2-8:8位數字量輸出端。
ADDA、ADDB、ADDC:3位地址輸入線,用于選通8路模擬輸入中的一路。
ALE:地址鎖存允許信號,輸入端,產生一個正脈沖以鎖存地址。
通道選擇表如下所示:


START: A/D轉換啟動脈沖輸入端,輸入一個正脈沖(至少100ns寬)使其啟動(脈沖上升沿使0809復位,下降沿啟動A/D轉換)。
EOC: A/D轉換結束信號,輸出端,當A/D轉換結束時,此端輸出一個高電平(轉換期間一直為低電平)。
OE:數據輸出允許信號,輸入端,高電平有效。當A/D轉換結束時,此端輸入一個高電平,才能打開輸出三態(tài)門,輸出數字量。
CLK:時鐘脈沖輸入端。時鐘頻率范圍為10KHz-1280KHz。
REF(+)、REF(-):基準電壓。
Vcc:電源,單一+5V。
GND:地。
adc0809工作過程
首先輸入3位地址,并使ALE=1,將地址存入地址鎖存器中。此地址經譯碼選通8路模擬輸入之一到比較器。START上升沿將逐次逼近寄存器復位。下降沿啟動 A/D轉換,之后EOC輸出信號變低,指示轉換正在進行。
直到A/D轉換完成,EOC變?yōu)楦唠娖剑甘続/D轉換結束,結果數據已存入鎖存器,這個信號可用作中斷申請。當OE輸入高電平 時,輸出三態(tài)門打開,轉換結果的數字量輸出到數據總線上。
轉換數據的傳送 A/D轉換后得到的數據應及時傳送給單片機進行處理。數據傳送的關鍵問題是如何確認A/D轉換的完成,因為只有確認完成后,才能進行傳送??刹捎孟率鋈N方式。
(1)定時傳送方式
對于一種A/D轉換器來說,轉換時間作為一項技術指標是已知的和固定的。例如ADC0809轉換時間為128μs,相當于6MHz的MCS-51單片機共64個機器周期??蓳嗽O計一個延時子程序,A/D轉換啟動后即調用此子程序,延遲時間一到,轉換肯定已經完成了,接著就可進行數據傳送。
(2)查詢方式
A/D轉換芯片有表明轉換完成的狀態(tài)信號,例如ADC0809的EOC端。因此可以用查詢方式,測試EOC的狀態(tài),即可確認轉換是否完成,并接著進行數據傳送。
(3)中斷方式
把表明轉換完成的狀態(tài)信號(EOC)作為中斷請求信號,以中斷方式進行數據傳送。
不管使用上述哪種方式,只要一旦確定轉換完成,即可通過指令進行數據傳送。首先送出口地址并以信號有效時,OE信號即有效,把轉換數據送上數據總線,供單片機接受。
adc0809控制時序


adc0809控制時序如圖,adc0809驅動程序是基于時序圖來編程。
〈烜芯微/XXW〉專業(yè)制造二極管,三極管,MOS管,橋堆等,20年,工廠直銷省20%,上萬家電路電器生產企業(yè)選用,專業(yè)的工程師幫您穩(wěn)定好每一批產品,如果您有遇到什么需要幫助解決的,可以直接聯系下方的聯系號碼或加QQ/微信,由我們的銷售經理給您精準的報價以及產品介紹
聯系號碼:18923864027(同微信)
QQ:709211280

